SINO Glasmaßstäbe in 4 verschiedenen Systemgrößen
ORIGINAL SINO- Exklusiv für den europäischen Markt produziert.
SINO
SINO Glasmaßstäbe bieten eine breite Modellpalette für unterschiedliche Anforderungen in der Fertigungsindustrie.

Die KA 200 (16×16 mm, Meßbereich 30- 360 mm) Serie eignet sich hervorragend für enge Einbauverhältnisse dank ihres schlanken 16x16mm Profils.
Die KA 300 (25×34,5 mm, Meßbereich 120- 1020 mm) ist die am meisten verbaute Größe, ideal für die meisten Maschinen mit einem Profil von 25×34,5mm.
Die KA 500 (18×20 mm, Meßbereich 70- 570 mm) Serie ist die zweitkleinste, perfekt für beengte Einbauverhältnisse an kleinen Maschinen, mit einem schlanken Profil von 18x20mm. Alle KA 500 Glasmaßstäbe werden mit einem 3 Meter Kabel, Montageleiste, Fullcover-Schutzabdeckung gegen Späne und Schmutz, Montageteilen und Winkeln, Schrauben und Kabelbindern geliefert.
Die KA 600 Serie (30×43 mm, Meßbereich 1100- 3000 mm) ist die größte und stabilste in der Serie, mit einem Profil von 30x43mm und der Fähigkeit, Längen von 1000mm bis 3000mm mühelos zu messen. Die SINO-Glasmaßstäbe nutzen den EIA-422 A Signalübertragungsstandard, der im Vergleich zum veralteten TTL-Standard viele Vorteile bietet, wie höhere Datenraten, höhere Verfahrgeschwindigkeit, weniger Signalverlust und präzisere Messergebnisse. Die Messleisten haben eine Schutzart von IP55, was um 1 bis 2 Klassen besser ist als bei herkömmlichen Glasmaßstäben üblich. Dadurch werden weniger verschmutzungsbedingte Fehlmessungen erzielt und eine höhere Produktivität erreicht.
Bitte beachten Sie, dass Maßstäbe der Serien KA200 und KA500 nur in Verbindung mit einem kompletten System geliefert werden. Maßstäbe bis 970mm werden mit Abdeckschiene/Fullcover geliefert, inklusive Anbauanleitung, Anbauteile, Schrauben, Kabelclips etc. Wenn Sie eine zuverlässige und präzise Messung benötigen, sind SINO Glasmaßstäbe eine hervorragende Wahl.
SINO Glasmaßstäbe der Serie KA-200 (Hohlprofil 16×16 mm)


Unsere SINO KA-200 Glasmaßstäbe bieten die perfekte Lösung für beengte Einbauverhältnisse an kleinen Maschinen. Mit einer Profilgröße von nur 16×16 mm und einem Gesamtquerschnitt von nur 16 x 32 mm (inkl. Lesekopf) bzw. 24.5 x 36.1 (inkl. Lesekopf und Abdeckleiste) eignen sich unsere Glasmaßstäbe hervorragend für den Einsatz in Maschinen mit begrenztem Platzangebot.
Die präzise Messung und die hohe Signalübertragung machen die SINO KA-200 Glasmaßstäbe zur idealen Wahl für Fräs-, Dreh-, Bohr- und Erodiermaschinen sowie für sonstige Messanwendungen. Darüber hinaus können sie problemlos an digitale Positionsanzeigen der SDS-Serie von SINO sowie an Fremdfabrikate mit +5V/TTL-Signal und Adaptern zu Newall/Fagor/Acu Rite angeschlossen werden.
Mit ihrem robusten Aluminiumgehäuse und ihrer schlagfesten Hohlprofilkonstruktion sind die SINO KA-200 Glasmaßstäbe ideal für raue Werkstattbedingungen geeignet. Dank des Laser-Kalibrierungsverfahrens sind sie äußerst präzise und zuverlässig. Außerdem sind sie unempfindlich gegen Vibrationen und elektromagnetische Felder.
Die SINO KA-200 Glasmaßstäbe werden komplett mit einem 2 Meter Kabel, Montageteilen, Winkeln, Schrauben und Kabelbindern geliefert. Die Montageleiste und die Fullcover-Schutzabdeckung sorgen dafür, dass die Glasmaßstäbe vor Spänen und Schmutz geschützt sind und somit weniger verschmutzungsbedingte Fehlmessungen verursachen.
Die Montagemaße der SINO KA-200 Glasmaßstäbe sind in der obigen Tabelle aufgeführt. Die Glasmaßstäbe der Serie KA-200 sind die kleinsten in der SINO-Baureihe und haben eine Profilgröße von nur 16×16 mm und einen Gesamtquerschnitt von nur 16 x 32 mm (inkl. Lesekopf) bzw. 24.5 x 36.1 (inkl. Lesekopf und Abdeckleiste). Sie sind besonders für den Einsatz in beengten Einbauverhältnissen an kleinen Maschinen geeignet.
Insgesamt bieten die SINO KA-200 Glasmaßstäbe eine präzise, zuverlässige und langlebige Lösung für eine Vielzahl von Messanwendungen in rauen Werkstattbedingungen. Dank ihres robusten Designs und ihrer Schutzfaktoren sind sie eine kluge Investition für jedes Unternehmen, das auf präzise Messungen angewiesen ist.
SINO Glasmaßstäbe der Serie KA-300 (Hohlprofil 25×34,5 mm)


SINO KA-300 Glasmaßstäbe – Präzision für enge Einbauverhältnisse
Die SINO KA-300 Glasmaßstäbe setzen den Standard in der SINO Baureihe. Mit einer Profilgröße von nur 25 x 34,5mm und einem Gesamtquerschnitt von 25 x 62,5 mm (inkl. Lesekopf) bzw. 40 x 68 (inkl. Lesekopf und Abdeckleiste) eignen sie sich ideal für beengte Einbauverhältnisse an kleinen Maschinen.
Hochwertige Industriequalität für raue Werkstattbedingungen
Diese Glasmaßstäbe bieten robuste und langlebige Industriequalität für den Einsatz in rauen Werkstattbedingungen. Sie verfügen über ein schlagfestes Hohlprofil-Aluminiumgehäuse, eine 5-fach Kugellagerung, eine Federaufhängung zum Ausgleich von Fluchtabweichungen und sind unempfindlich gegen Vibrationen und elektromagnetische Felder.
Präzision und Genauigkeit
Der KA-300 Glasmaßstab bietet eine Auflösung von 0,001 mm und eine Teilung von 0,02 mm (50 Linien/mm). Er verfügt über eine Genauigkeitsklasse von 4 oder besser und ist laser-vermessen und kalibriert. Der Lesekopf-Schlitten verfügt über 2 Dichtlippen, um einen sehr hohen Schutz vor Spänen, Staub und Spritzwasser zu bieten.
EIA-422 A Signalübertragungsstandard für präzise Messergebnisse
Die SINO KA-300 Glasmaßstäbe nutzen den EIA-422 A Signalübertragungsstandard, der im Vergleich zum veralteten Standard TTL viele Vorteile mit sich bringt. Mit höheren Datenraten und weniger Signalverlust bieten sie präzisere Messergebnisse bei höherer Verfahrgeschwindigkeit.
Schutzart IP 55 für dauerhaft präzise Messungen
SINO Glasmaßstäbe sind mit IP55 um 1 und meistens sogar gleich 2 Klassen besser als bei Glasmaßstäben üblich. Durch den besseren Rundum-Schutz verursachen SINO Messleisten auf Dauer weniger verschmutzungsbedingte Fehlmessungen. Somit reduzieren Sie Ihren Ausschuss und erhöhen Ihre Produktivität.
Bestellen Sie den SINO KA-300 Glasmaßstab mit 3 Meter Kabel, montagebereit mit einer Montageleiste, Fullcover-Schutzabdeckung gegen Späne und Schmutz, Montageteilen und Winkeln, Schrauben und Kabelbindern für eine schnelle und einfache Installation. Er eignet sich ideal für Fräs-, Dreh-, Bohr- und Erodiermaschinen sowie für sonstige Messanwendungen und kann auch an Fremdfabrikate mit +5 V/TTL-Signal und Adaptern zu Newall, Fagor und Acu Rite angeschlossen werden.
Holen Sie sich den SINO KA-300 Glasmaßstab für zuverlässige und präzise Messungen in engen Einbauverhältnissen.
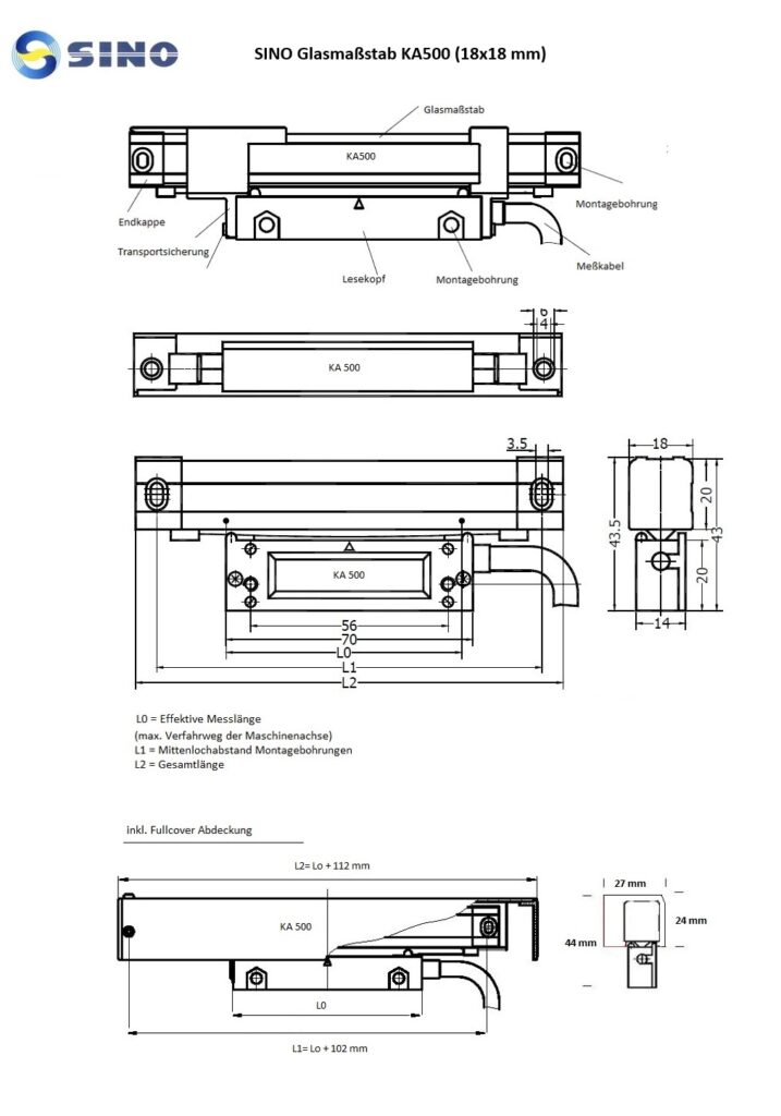
SINO Glasmaßstäbe der Serie KA-500 (Hohlprofil 18×20 mm)


Die KA 500 Serie von SINO ist die perfekte Lösung für beengte Einbauverhältnisse an kleinen Maschinen. Mit einer Profilgröße von nur 18×20 mm und einem Gesamtquerschnitt von nur 18×44 mm (inkl. Lesekopf) bzw. 27×44 mm (inkl. Lesekopf und Abdeckleiste) ist der Maßstab einer der kleinsten in der SINO Baureihe. Die Glasmaßstäbe werden mit 3 Meter Kabel, Montageleiste, Fullcover-Schutzabdeckung, Montageteilen und Winkeln, Schrauben und Kabelbindern geliefert und sind sofort montagebereit.
Die KA 500 Serie ist robust und für raue Werkstattbedingungen ausgelegt. Das schlagfeste Hohlprofil und das Aluminiumgehäuse sorgen für lange Haltbarkeit. Mit einer Genauigkeitsklasse von 4 und einer Auflösung von 0,001 mm sowie einer Teilung von 0,02mm (50 Linien/mm) liefern die KA 500 Glasmaßstäbe sehr präzise Messergebnisse.
Die KA 500 Serie ist unempfindlich gegen Vibrationen und elektromagnetische Felder und verfügt über eine 5-fach Kugellagerung und Federaufhängung zum Ausgleich von Fluchtabweichungen. Die Schutzart IP55 bietet einen hervorragenden Schutz gegen Staub und Strahlwasser und reduziert verschmutzungsbedingte Fehlmessungen auf ein Minimum. Die Glasmaßstäbe eignen sich für Fräs-, Dreh-, Bohr- und Erodiermaschinen sowie für sonstige Messanwendungen.
SINO Glasmaßstäbe nutzen den EIA-422 A Signalübertragungsstandard, der im Vergleich zum veralteten Standard TTL viele Vorteile mit sich bringt. Dadurch ist eine höhere Datenrate, höhere Verfahrgeschwindigkeit, weniger Signalverlust und präzisere Messergebnisse möglich. SINO Maßstäbe sind einfach anzuschließen und können sowohl an die digitale Positionsanzeige SINO der SDS-Serie als auch an Fremdfabrikate mit +5V/TTL-Signal und Adaptern zu Newall/Fagor/Acu Rite angeschlossen werden.
Zusammenfassend bietet die KA 500 Serie von SINO eine hochwertige Industriequalität und präzise Messergebnisse in einer kompakten Bauweise, die ideal für beengte Einbauverhältnisse an kleinen Maschinen geeignet ist. Der EIA-422 A Signalübertragungsstandard und die IP55 Schutzart sorgen für eine zuverlässige und genaue Messung, selbst unter rauen Bedingungen.
SINO Glasmaßstäbe der Serie KA-600 (Hohlprofil 30×43 mm)


Die SINO Serie KA 600 bietet den größten Maßstab der Baureihe mit einer Profilgröße von nur 30 x 45 mm und einem Gesamtquerschnitt von 31 x 71 mm (inkl. Lesekopf). Mit einem Messbereich von 1000 mm bis 3 Meter eignet sich dieser Glasmaßstab vor allem für großzügige Einbauverhältnisse an großen Maschinen. Die KA 600 wird mit 3 Meter Kabel, Montageleiste, Schutzabdeckung gegen Späne und Schmutz, Montageteilen und Winkeln, Schrauben und Kabelbindern geliefert. Die Industriequalität bietet eine robuste Aluminiumkonstruktion, schlagfestes Hohlprofil, Laserkalibrierung und eine 5-fach Kugellagerung für den Lesekopf-Schlitten. Mit einem Schutz gegen Staub und Strahlwasser von IP55 ist der SINO KA 600 Maßstab unempfindlich gegen Vibrationen und elektromagnetische Felder. Der elektrische Anschluss erfolgt über EIA 422A-Lindedriver für perfekte Signalübertragung. Mit einer Auflösung von 0,001 mm und einer Genauigkeitsklasse von 4 bietet die SINO KA 600 Serie präzise Messergebnisse für Fräs-, Dreh-, Bohr- und Erodiermaschinen sowie für andere Messanwendungen. Der Maßstab ist auch kompatibel mit anderen Fabrikaten und kann mit 5 V TTL Signal und Adaptern für Newall, Fagor und Acu Rite verbunden werden. Die Signalgebung EIA-422 A bietet höhere Datenraten, höhere Verfahrgeschwindigkeit, weniger Signalverlust und präzisere Messergebnisse im Vergleich zu dem veralteten Standard TTL. Der SINO KA 600 Maßstab reduziert aufgrund seines besseren Rundum-Schutzes verschmutzungsbedingte Fehlmessungen und erhöht somit die Produktivität.